How do I create a loop back connector?
A loop back connector can be used to echo RS232 data transmitted by a serial port back into its own RS232 receiver. In this way, the function of the serial port can be tested.
Simple Test - Paperclip test
The most basic loop back test is done by connecting the Transmitting pin (TXD) and the Receiving pin (RXD) of a serial port together. In this way data sent down the serial port will come straight back.
When the functionality of the other data signals is not important simply short the TXD and RXD pins. For a 9 Pin or 25 Pin connector this means connecting pins 2 and 3. Alternatively, if you have a jumper available this can easily be placed onto pin 2 and 3:

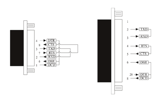
Full Test
Follow the 2 diagrams below for a full loop back connector:
Schematic Representation

Actual Representation
